現在の位置: ホーム > 市政情報 > 計画・取り組み > 弘前市私道等整備事業費補助金
現在の位置: ホーム > 市政情報 > 計画・取り組み > 弘前市私道等整備事業費補助金

ここから本文です。

弘前市私道等整備事業費補助金

 市内の私道等の整備を促進し、市民の生活環境の向上を図るため、私道等の整備にかかる工事費の一部を補助します。

弘前市私道等整備事業費補助金

受付について

年度ごとに予算の範囲内において受付いたします。

予算がなくなり次第受付は終了となりますので、その場合は次年度以降の受付となります。

※私道等整備事業についての質問等は随時受け付けていますので、下記の問い合わせ先までお問い合わせください。

私道等とは

私道等に該当する道路は以下の道路になります。

 1. 公道以外の道路で、個人又は法人が所有している道路

 2. 一般の通過交通がない法定外道路

補助事業

市内の私道等において、以下のいずれかを行うこと。

 1.舗装又は舗装に伴い必要な側溝等の施工

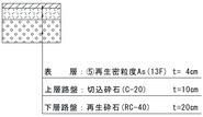
  舗装断面は下図を標準とします。

  ※標準以外での復旧を希望する場合は土木課と協議し承認を得る必要があります。

 

   舗装+路盤          舗装のみ                         舗装+側溝

     robann     hosou   sokkou  

 

 2.交通安全施設(道路反射鏡等)の設置

 ・交通安全施設の設置は私道内または民地内に設置することを基本とします。

  ※公道に設置する場合、道路管理者と協議し承認を得る必要があります。

 ・設置した施設には、管理者が記載されたプレート等を取り付けてください。

補助対象基準

舗装又は舗装に伴い必要な側溝等の施工については、以下の項目をすべて満たす必要があります。

 1.延長が10メートル以上であること

 2.幅員が概ね4メートル以上であること

 3.利用戸数が3戸以上であること

 4.私道等の両端又は一端が舗装されている公道に接続していること

 

※以下の項目に1つでも該当する場合は、補助対象外となります。

 1. 1年以内に私道等の掘削等を行う計画がある場合

 2. 事業について私道等の所有者の同意が得られていない場合

 3. 私道等の敷地内に法令に違反している建物がある場合

 4. 過去10年以内に本事業を用いて整備を行った私道等である場合

補助事業者

補助金の交付対象となる補助事業者は、以下のいずれかの者になります。

補助事業者の中で申請や補助金の受領等を行う代表者を1名決めてください。

 1.私道等の所有者

 2.私道等の沿線の住居に居住する者

 3.私道等の沿線の土地の所有者

 4.私道等が存する地域において組織されている町会等

補助金額

補助事業を実施するための工事請負費において、以下のいずれかのうち最も少ない額の10分の7以内の額となります。

 1. 市内業者からの見積額(2社以上)

 2. 市の基準により積算した額

市内業者

補助事業を行う業者は、競争入札参加資格者名簿に記載の市内業者のうち、適切な建設業許可を受けた業者からお選びください。

弘前市競争入札参加資格者名簿

様式・必要書類

補助金の申請から交付までは、以下の書類をお使いください。

また、補助金の申請から交付までの流れについては、「補助金交付の流れ」をご確認ください。

様式データワードファイル(110KB)

様式記載例PDFファイル(138KB)

補助金交付の流れPDFファイル(116KB)

申請時

・補助金交付申請書(様式第1号)

・事業計画書(様式第2号)

・収支予算書(様式第3号)

・沿線住民等名簿(様式第4号)

・権利者の承諾書(様式第5号)

・公図の写し、全部事項証明書(土地)及び位置図

・設計図書(平面図、標準横断図)

・見積書(2社以上から徴収したもの)

交付決定後

〇共通

 ・材料承認願(施工業者が作成したものを提出)

〇法定外道路の場合

 ・法定外公共物維持工事許可申請(協議)書(※舗装、側溝等を整備する場合)

 ・法定外公共物占用許可申請(協議)書(※交通安全施設を設置する場合)

 ・法定義公共物占用料減免申請(協議)書(※減免の条件に該当する場合)

〇事業内容を変更する場合/事業を中止又は廃止する場合

 ・変更承認申請書(様式第6号)

 ・中止(廃止)承認申請書(様式第7号)

事業完了後

・完了(廃止)実績報告書(様式第11号)

・事業実績書(様式第12号)

・収支決算書(様式第13号)

・工事請負契約書の写し

・請求書(内訳がわかるもの)写し

・領収証、受領証等支払いを証明するものの写し

・出来形管理図、工事完成図面、品質管理表、工事写真

請求時

・補助金請求書(様式第15号)

※振込口座を市の会計管理者へ届けていない場合は、口座振替依頼書(債権者用)も併せて提出ください。

口座振替の申請について

完了後の維持管理

事業の完了後は、利用する皆様で維持管理、補修及び更新をしていただきます。

管理については、管理台帳を設け管理状況を明らかにしておいてください。

管理台帳(様式例)エクセルファイル(8KB)

要綱

令和8年度弘前市私道等整備事業費補助金交付要綱PDFファイル(152KB)

 

問い合わせ先

担当:建設部 土木課 整備第一係

電話:0172-88-7160

市政情報メニュー

ページ最上段に戻る